|  站内搜索:
网站首页 > 环球聚焦 > 深度评析 > 阅读信息
全球最大“人造太阳”,为何只能由中国来安装?
点击:  作者:正解局    来源:正解局微信号  发布时间:2024-03-22 19:54:55

 

中国的施工队在世界上早已闻名遐迩,但这次要干的事儿,有点不太一样。

 

今年2月底,全球最大人造太阳”ITER项目与中核集团中核工程牵头的中法联合体签署真空室模块组装合同。

 

在成功安装ITER“心脏设备之后,中核又成为ITER主机安装的唯一承包商。

 

全球最大人造太阳,为何由中国企业来安装?

 

 

 

核反应,是人类已知最高效的能量制造方式,有核裂变和核聚变两种,对应的武器分别是原子弹和氢弹。

 

正解局之前介绍过核动力集装箱船,使用的第四代堆型熔盐反应堆就是目前核裂变技术的天花板。

 

相对于核裂变,我们最常接触的其实是核聚变,白天一抬头就能看到——太阳每时每刻都在进行着核聚变反应,放出光和热。

 

核聚变的原理比核裂变简单,比较轻的原子核,例如氘(D)和氚(T),结合成较重的原子核,例如氦,同时放出巨大能量。

 

 

核聚变反应原理图

 

原理简单,但实现起来很难。

 

因为核聚变需要很高的温度,所以人类现在掌握的都是热核聚变技术——从研发路线看,都是先有原子弹再有氢弹,因为想要引爆氢弹,必须先引爆一枚原子弹。

 

军用如此,民用亦如此。

 

利用核裂变来发电,早就不是啥新鲜事了。

 

但用核聚变来发电,人类至今还没有做到。

 

氢弹的核聚变,瞬时产生的能量太大,不能用来发电,人类需要的,是可控的热核聚变。

 

如何才能制造出一个人造太阳,成为各国科学家孜孜不倦追求的目标。

 

20世纪50年代,前苏联科学家提出了一个利用超导体产生极强磁场来约束能量的构想,其核心组件被称为托卡马克,用来实现热核聚变。

 

 

2021年升级后的俄罗斯托卡马克T-15MD

 

1985年,在日内瓦峰会上,美苏欧日共同启动了国际热核聚变实验反应堆计划,即ITER项目,作为结束冷战的标志性行动之一。

 

1988年,ITER项目的研究设计工作开始。

 

在集合了全球聚变研究成果,耗费了13年时间和15亿美元后,研究设计终于在2001年完成。

 

2007年,这一全球最大人造太阳正式开工。

 

ITER项目最初只有美苏欧日4个成员,后来变为美俄欧日中韩印7个,协作国也扩展到35个。

 

时间跨度大,项目难度高,ITER项目被认为是空间站之后最大的全人类共同合作的项目。

 

按计划,如果一切顺利,2025年将能完成全部建造工作。

 

2050年,ITER项目将获得商业规模上持续且安全的能源输出。

 

如同许多国际合作一样,ITER项目背后也存在着政治博弈。

 

ITER项目太重要了,谁都想拿到主导权。

 

其中,又以法国、日本竞争最激烈。

 

法国在核电方面经验丰富,舍得给钱,外加欧盟在整个项目中掏钱最多,最终获得多数选票。

 

日本的热核聚变研究一直处于全球领先地位,出手也阔绰,但有一大硬伤:身处地震带。

 

 

ITER项目鸟瞰图,黑色最高的建筑为其托卡马克部分

 

最终,ITER项目选址法国南部海港城市马赛以北约80公里处的圣保罗-莱迪朗斯小镇。

 

 

 

似乎越是大型项目,期限延误就越是它的宿命。

 

ITER项目在技术上主要遇到了两个问题。

 

其一,在安装好的19×11米(62×36英尺)气室中,发现要焊接在一起的砌块接头出现了尺寸错误。

 

在设计构想中,聚变需要将超热等离子体中的轻原子元素的原子核压在一起,所以需要将该等离子体由强大的磁力保持在一个托卡马克中,也就是一个密闭环形室中。

 

如果砌块接头尺寸不对,托卡马克可不只是漏点气那么简单,很有可能直接爆炸。

 

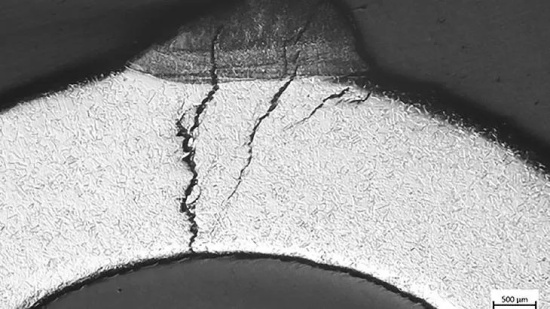
其二,设计用于保护外界免受核聚变产生的巨大热量影响的隔热板选材上,有数据模拟后发现现有材料有很大的问题。

 

隔热板材上密布的冷却管金属很容易在剧烈的温差变化中老化,产生裂纹,并贯穿全管,安全隐患极大。

 

 

ITER在检测中发现已经有管道出现裂纹

 

时任项目总干事的Pietro Barabaschi就曾用这将是几个月甚至几年的问题来表达事情的严重性。

 

按照他的估算,因为出现这两个问题,2025年完工已不可能,但似乎仍有望在2035年完成全部计划。

 

相比于技术难题造成的延期,缺钱更让人抓狂。

 

2006年项目启动时,各参与国以10年为期,共同筹资50亿欧元,没想到这点钱完全不经花。

 

2023年初,ITER官方统计,按照目前的项目进度和支出,预估总成本将超过200亿欧元。

 

最新文件显示,就连这个金额也早就失效了,真实情况肯定更糟。

 

 

ITER项目中各国承担的建设组件

 

没钱,项目只能延期。

 

内部人员十分悲观,认为剩余的技术挑战会让预算几何式增长。

 

ITER项目建设面临着失控的风险。

 

 

 

在过去很长一段时间里,中国一直被ITER排除在外。

 

表面上的原因是,中国的核聚变研究水平不够。

 

这个理由,当然是站不住脚的。

 

实际上,早在1994年,我国第一个圆截面全超导托卡马克核聚变实验装置EAST“合肥超环HT-7)研制成功。

 

这使我国成为继俄、法、日之后第四个拥有超导托卡马克装置的国家。

 

 

我国建设的世界上首个全超导托卡马克主机

 

即便如此,在七个成员国里大部分都没有自己的超导托卡马克装置的情况下,ITER仍然拒绝中国。

 

2003年,转机出现。

 

加拿大在竞争选址失败之后,一气之下,宣布退出。

 

ITER一下子出现了10亿欧元的资金缺口,考虑到中国的“钞能力ITER终于同意中国加入。

 

中国的加入,还有个连带效应。

 

美国原本在1998年借口要加强基础研究,退出了ITER计划。

 

中国于20031月初表态参加协商后,美国在1月末又宣布重新参加ITER计划。

 

美国退而复返,显然是因为中国加入让其看到了项目成功的希望。

 

中国的表现,也确实没让人失望。

 

中国加入最晚,却成为ITER能推进到今天的最大保障。

 

时至今日,ITER最重要的四个安装节点都是中国人完成的。

 

20205月,杜瓦底座被成功吊装是第一步。

 

杜瓦底座是ITER托卡马克装置中最重要的核心设备,它既是第一个被安装的大型组件,又是所有重要设备的基础,承担着安全屏障的作用。

 

 

吊装完成后的杜瓦底座,具有赏心悦目的工业美感

 

杜瓦底座重达1250吨,安装精度必须控制在2毫米之内。

 

如此超高难度的作业,中核集团仅48人的团队就顺利完成了,还顺手打破了中国核能行业大件设备吊装的安装精度记录。

 

底座好了,4个月后,杜瓦下部筒体也要开吊了。

 

虽说相比上次,这个“小家伙只有400吨,但这重量也相当于两架波音747飞机了,尺寸占到ITER托卡马克装置的三分之一,吊装作业的技术难度并不小。

 

20211月,杜瓦底座冷屏(LCTS)吊装成功,托卡马克装置第三个重大部件的安装完成

 

20214月,极向场超导线圈PF6的成功落位,标志着中国对ITER核心设备的四联吊顺利完成,也标志着国际热核聚变实验堆磁体系统的安装工作全面开启。

 

PF6线圈是所有ITER超导磁体中最底层的、重量最大的、制造难度最高的超导磁体之一,也是决定ITER装置运行成败的最重要线圈之一,仅制造就花了七年多,由中科院等离子体物理研究所完成。

 

五个月后,托卡马克最后一个下部主要磁体PF5也成功落位。

 

要知道,那时还是疫情中,中国一点都没把事情耽误,展现真正负责任的大国风范。

 

这里必须重新提一下文章开头说的消息。

 

 

签约仪式现场照

 

按照原计划,中国将要吊装的ITER真空室模块,本应由日本组装

 

为此,日本还与欧盟共同研制了JT-60SA,算是先打个样。

 

2020年已经安装完成,调试了三年,去年12月投入运行。

 

 

日本的托卡马克JT-60SA

 

箭在弦上,可为什么ITER还是临时改变主意了呢?

 

因为,这个号称世界上最大的JT-60SA,技术上已经大大落后于中国。

 

日本的JT-60SA只能使用氘(D)作为模拟燃料开展等离子体控制实验,不能直接用来发电。

 

我国的方案采用具有发电前景的氘氚(D-T)核聚变反应堆,是迄今为止最接近成功的试验装置和示范装置。

 

最重要的,是从各项技术指标看,中国的托卡马克完胜日本技术。

 

在合肥,我国先后实现了1兆安、1.6亿度、1056秒的等离子体运行的三大科学目标。

 

技术上的巨大差距,决定了ITER的重要模块必须由中国来安装。

 

 

 

当然,中国这么又出钱又出力,可不是来当冤大头的。

 

在加入ITER计划前,国际主流的核聚变会议上几乎没有中国的声音。

 

加入ITER之后,我国不仅补完了课,还把自己的聚变工程实验堆(CFETR)也提上日程。

 

在科研方面,中国的核聚变学者和研究机构连续多年获邀在大会作报告,甚至担任会议主席。

 

 

线圈吊运至装置口

 

这一领域的国际顶级杂志封面上,也时常有中国学者的身影出现。

 

如今,我们与全球120多个聚变研究机构建立了合作,很多研究成果就是在这样的氛围下诞生的。

 

参与ITER计划后,中国出钱又出力,换来了广泛的技术合作与领先地位。

 

我国核聚变技术由跟跑向领跑转变,在国际话语权方面的影响力前所未有。

 

前面提到的EAST虽然最先进,但只是实验装置。

 

中国聚变工程实验堆就不一样了,直接瞄准应用,走实用化,目标是建成世界首个聚变实验电站。

 

目前,实验堆前身夸父已经在合肥如火如荼地建设。

 

 

机拍摄的夸父园区

 

一旦成功,我国将拥有一种几乎无限、无污染、无温室气体排放且安全的能源。

 

这不仅能改善我们的生活质量,促进经济发展,还将深远影响国际秩序和地缘政治。

 

希望我国的人造太阳,早日升起

 

来源:正解局微信号

责任编辑:向太阳
特别申明:

1、本文只代表作者个人观点,不代表本站观点,仅供大家学习参考;

2、本站属于非营利性网站,如涉及版权和名誉问题,请及时与本站联系,我们将及时做相应处理;

3、欢迎各位网友光临阅览,文明上网,依法守规,IP可查。

昆仑专题

高端精神

国策建言

热点排行
  • 一周
  • 一月
  • 半年
  • 建言点赞
  • 一周
  • 一月
  • 半年
  • 友情链接
  • 人民网
  • 央视网
  • 新华网
  • 求是
  • 中国军网
  • 中国经济网
  • 中国社会科学网
  • 中国科技网
  • 中国共产党历史和文献网
  • 红色文化网
  • 观察者网
  • 参考消息
  • 环球网
  • 毛泽东思想旗帜网
  • 红旗文稿
  • 红歌会
  • 红旗网
  • 乌有之乡
  • 橘子洲头
  • 四月网
  • 新法家
  • 中红网
  • 激流网
  • 宣讲家网
  • 中共党史网
  • 国史网
  • 全国党建网
  • 中国集体经济网
  • 中国延安精神研究会
  • 西北革命历史网
  • 善之渊
  • 俄罗斯卫星通讯社
  • 赵晓鲁律师事务所
  • 烽火HOME
  • 备案/许可证编号:京ICP备15015626号-1 昆仑策研究院 版权所有 举报邮箱:[email protected]